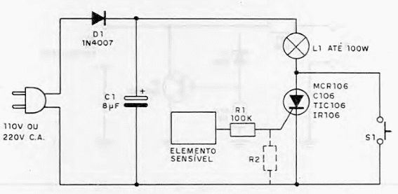
Un ligero toque con los dedos en el sensor hace que la lámpara se encienda y permanezca encendida. Para apagar, presione S1 por un momento o apague y vuelva a encender. Se debe tener mucho cuidado con la conexión del sensor, que debe estar aislado y tener un cable corto, ya que no tiene aislamiento de la red, la limitación de corriente que evita los choques está determinada solo por R1. El SCR debe ser el TIC106B para la red de 110 V y el TIC106D para la red de 220 V. Solo deben controlarse las lámparas incandescentes y el circuito es de media onda, lo que significa que la lámpara se enciende a la mitad del brillo máximo. El SCR debe montarse en un radiador de calor.




