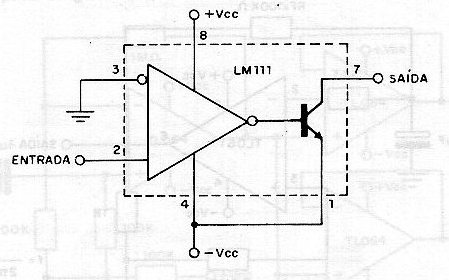
El circuito integrado indicado, conectado como se muestra en la figura, detecta cuando una señal aplicada a su entrada pasa por el nivel de referencia de cero volts. La tensión de entrada máximo debe ser menor que el utilizado para la alimentación y se debe utilizar una fuente simétrica. Tenga en cuenta que la salida de este circuito es de colector abierto y es necesario utilizar una resistencia pull-up, normalmente 2,2 k ohms.




