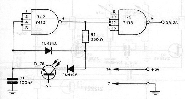
La frecuencia del circuito que se muestra depende de la intensidad de la luz que incide en el fototransistor. El rango de frecuencia central, determinado por C1, con los valores de los componentes indicados es de alrededor de 5 kHz. El circuito debe ser alimentado por una tensión de 5 V y se pueden usar otros puertas NAND o inversores como el 7400.

Astable TTL sensible a la luz



