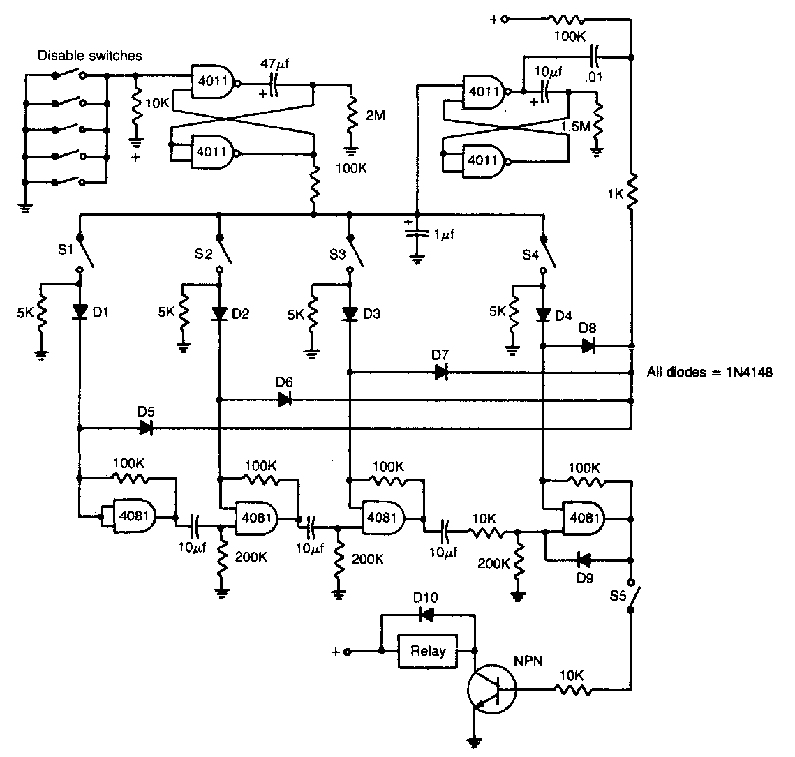
Encontramos este circuito en una revista inglesa de los años 70. El circuito utiliza interruptores que deben activarse en la secuencia correcta para que se active el relé.
Este circuito genera señales de menos de 10 Hz. Lo encontramos en una Popular Electronics de los años 90....
Este circuito de motor paso a paso se encontró en el Linear Databook de Motorola de 1990. El...
Este circuito, encontrado en una publicación de Sylvania de 1956, estaba destinado a servir como un...