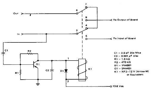
Este circuito se encontró en la documentación de la década de 1980. El transistor puede ser equivalente para propósito general. El relé debe ser de tipo sensible según la tensión utilizada en la alimentación.

Relé accionado por tono
Este circuito se encontró en la documentación de la década de 1980. El transistor puede ser equivalente para propósito general. El relé debe ser de tipo sensible según la tensión utilizada en la alimentación.
