Este circuito se encontró en documentación de los años 70. Podemos probar los transistores JFET actuales.

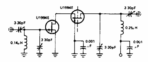
Amplificador en cascode para de 80 MHz
Este circuito se encontró en documentación de los años 70. Podemos probar los transistores JFET actuales.
