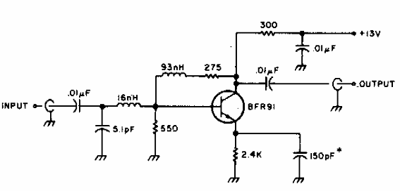
Este circuito amplifica señales de 10 MHz a 500 MHz con una ganancia de 10 dB. Lo encontramos en documentación de la década de 1980. El consumo es de 13 mA. El transistor admite equivalente.

Amplificador de banda ancha
Este circuito amplifica señales de 10 MHz a 500 MHz con una ganancia de 10 dB. Lo encontramos en documentación de la década de 1980. El consumo es de 13 mA. El transistor admite equivalente.
