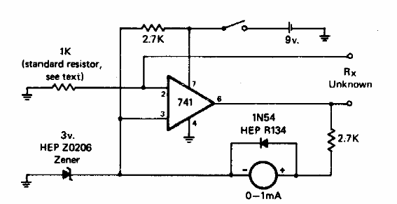
Este circuito se encontró en una documentación de la década de 1980. El circuito mide la resistencia en una escala lineal. El instrumento se puede reemplazar por la escala de corriente correspondiente de un multímetro estándar.

Ohmímetro 741
Este circuito se encontró en una documentación de la década de 1980. El circuito mide la resistencia en una escala lineal. El instrumento se puede reemplazar por la escala de corriente correspondiente de un multímetro estándar.
