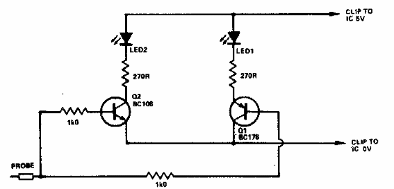
Este circuito simple puede hacer uso de cualquier transistor de propósito general. La alimentación proviene del circuito que se analiza.

Prueba lógica simple
Este circuito simple puede hacer uso de cualquier transistor de propósito general. La alimentación proviene del circuito que se analiza.
