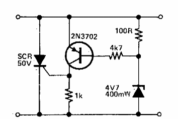
En la figura la forma de implementar un circuito de crowbar simple. El transistor admite equivalente y el SCR puede ser el TIC106. La tensión de disparo está determinada por el diodo Zener.

Crowbar simple
En la figura la forma de implementar un circuito de crowbar simple. El transistor admite equivalente y el SCR puede ser el TIC106. La tensión de disparo está determinada por el diodo Zener.
