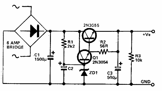
La tensión de salida de esta fuente depende del diodo Zener utilizado. Lo encontramos en documentación de la década de 1980. El circuito multiplica el efecto de la capacitancia C2, que puede tener valores entre 100 y 220 uF, típicamente para un efecto que excede los 40 000 uF.

Fuente de baja ondulación



