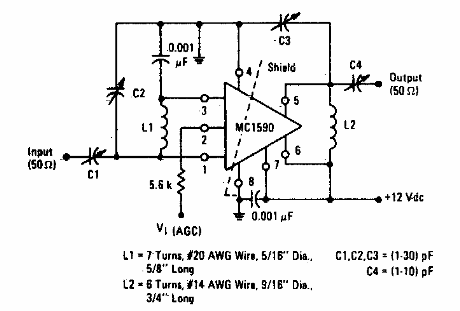
Encontrado en una documentación de Motorola de los años 70, el circuito presentado utiliza un componente de la época que no es común en la actualidad. Las características de las bobinas se dan junto al diagrama.

Circuito de ganancia de potencia de 60 MHz



