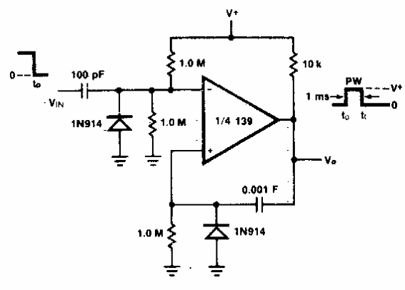
Este circuito es de documentación antigua. Podemos implementarlo con amplificadores operacionales equivalentes modernos.

Monoestable con operacional
Este circuito es de documentación antigua. Podemos implementarlo con amplificadores operacionales equivalentes modernos.
