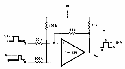
Este circuito con amplificador operacional se encontró en documentación estadounidense antigua. Se puede implementar con amplificadores operacionales equivalentes modernos.

Multivibrador biestable
Este circuito con amplificador operacional se encontró en documentación estadounidense antigua. Se puede implementar con amplificadores operacionales equivalentes modernos.
