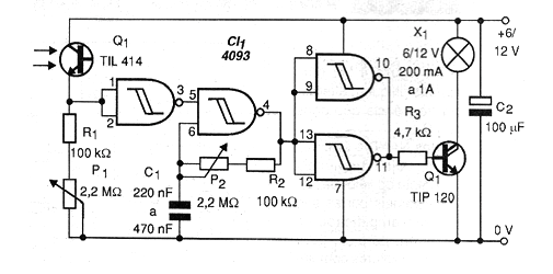
El circuito que se muestra en la figura activa una pequeña lámpara indicadora que comenzará a parpadear cuando se reduzca la iluminación ambiental. El punto de disparo del circuito está determinado por P1 y la frecuencia de parpadeo se establece en P2. El sensor es un fototransistor común que, para una mayor eficiencia, debe montarse en un tubo y apuntar al lugar donde desea monitorear la luz. Este sensor no puede recibir la luz de la propia lámpara, que se alimenta de modo que no haya retroalimentación, lo que es capaz de inestabilizar el circuito. Para lámparas de hasta 50 mA, se puede utilizar un BC548 y para lámparas de 200 mA a 1 A, se debe utilizar un Darlington de potencia, como el TIP120, montado en un radiador de calor. El consumo en reposo es muy bajo. El consumo, cuando está activado, depende únicamente de la lámpara utilizada. Por lo tanto, para suministrar lámparas más grandes, se debe utilizar una fuente o batería.




