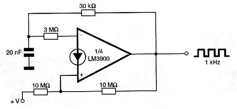
La base de este circuito es uno de los cuatro amplificadores Norton en un circuito integrado LM3900. Las señales generadas son rectangulares a una frecuencia de 1 kHz para los valores de los componentes indicados en el diagrama de la figura. Se puede cambiar el valor del capacitor para obtener otra frecuencia para la señal, pero el límite superior no va más allá de unos pocos cientos de kilohertz. La fuente de alimentación debe ser simétrica con tensiones de 6 a 12 volts.




