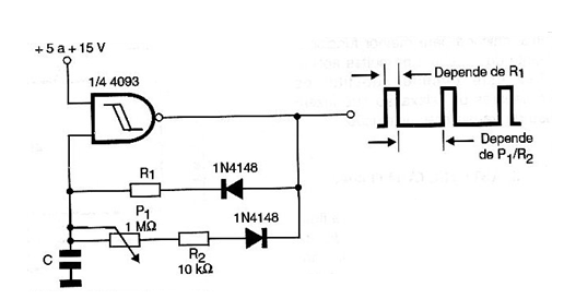
El ancho de los pulsos producidos por el oscilador de la figura está determinado por el valor de R1, que puede estar entre 1k ohms y 100k ohms. La separación de pulsos se establece en el potenciómetro de 1 M ohms. La frecuencia final del circuito, así como los parámetros anteriores, también depende del capacitor C. La frecuencia máxima de funcionamiento de este circuito es del orden de 4 MHz para una alimentación de 10 volts. El circuito puede funcionar con tensiones de alimentación de 3 a 15 volts.




