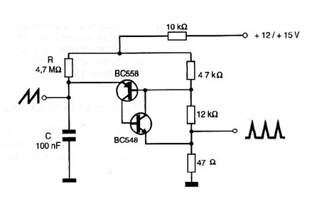
Se pueden obtener pulsos de corta duración con el oscilador de relajación, que utiliza transistores comunes y se muestra en la figura. El circuito consta básicamente de un interruptor regenerativo con transistores complementarios y su frecuencia de funcionamiento depende tanto del resistor de 4,7 M ohms (que se puede cambiar) como del valor del capacitor C. La frecuencia máxima que puede generar este circuito es la orden de 100 kHz. La tensión de alimentación debe estar en el rango indicado para el mejor funcionamiento del circuito. En muchas aplicaciones, este circuito sustituye a los osciladores con relajación que utilizan transistores uniuntura.




