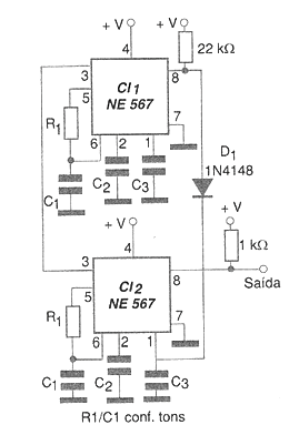
En la figura tenemos un circuito en el que el reconocedor del segundo tono permanece deshabilitado hasta que el primero reconoce el tono correspondiente. Con esta función, el circuito puede reconocer dos tonos en la secuencia correcta, lo que no es el caso en el primer caso. Los sistemas de megafonía de generaciones pasadas utilizaron este sistema, generalmente empleando tres tonos secuenciales, para identificar el receptor al que se llamará. Las aplicaciones para este tipo de reconocedores de señales son muchas como, por ejemplo, el uso de líneas de datos, teléfono y otras para superponer información.




