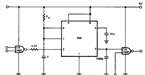
Este circuito, que puede utilizarse como shield, tiene su tiempo determinado por RA y C conectados a la entrada 555.

TTL Monoestable
Este circuito, que puede utilizarse como shield, tiene su tiempo determinado por RA y C conectados a la entrada 555.
