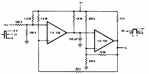
Esta configuración hace uso de componentes poco comunes actualmente. De hecho, lo encontramos en documentación de la década de 1970. Se pueden utilizar operacionales equivalentes.

Multivibrador monoestable
Esta configuración hace uso de componentes poco comunes actualmente. De hecho, lo encontramos en documentación de la década de 1970. Se pueden utilizar operacionales equivalentes.
