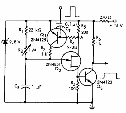
Este circuito se encontró en documentación antigua. Puede fabricarse en base a componentes modernos. El tiempo depende del ajuste y del valor CE.

Monoestable con unijuntura
Este circuito se encontró en documentación antigua. Puede fabricarse en base a componentes modernos. El tiempo depende del ajuste y del valor CE.
