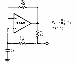
Se pueden usar amplificadores operacionales modernos en este circuito que multiplica la capacitancia hasta 10,000 uF para un capacitor de 10 uF. El circuito requiere una fuente simétrica.

Multiplicador de capacitancia
Se pueden usar amplificadores operacionales modernos en este circuito que multiplica la capacitancia hasta 10,000 uF para un capacitor de 10 uF. El circuito requiere una fuente simétrica.
