El elemento disparador de este circuito es una lámpara de neón. El SCR admite equivalente. Lo encontramos en una documentación estadounidense de los años 80.

Control de potencia de media onda
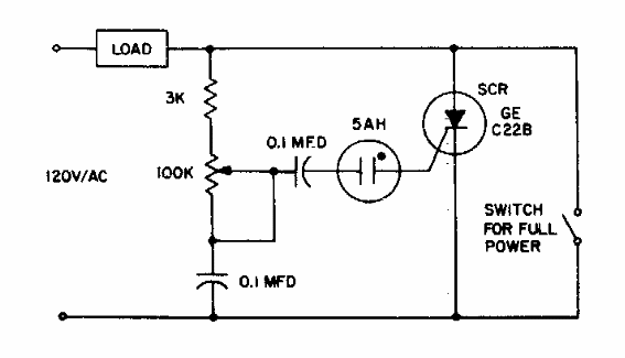
El elemento disparador de este circuito es una lámpara de neón. El SCR admite equivalente. Lo encontramos en una documentación estadounidense de los años 80.
