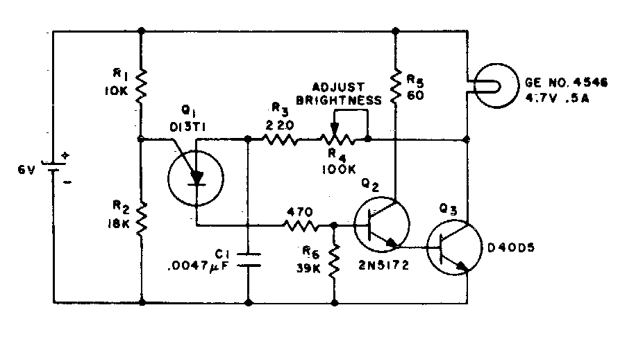
Para una corriente de 5A y una alimentación de 6 V, este circuito se encontró en la documentación de los años 70. Los transistores admiten equivalentes modernos. Q1 es un PUT poco común en la actualidad.

 

Regulador de baja pérdida
Regulador de baja pérdida | Haga click en la imagen para ampliar |