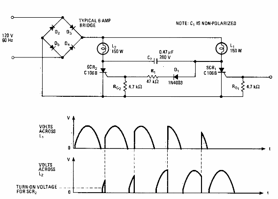
Con este circuito, usando una sola tensión de control, puede aumentar el brillo de la lámpara mientras que el brillo de otra disminuye. El circuito se aplica solo a lámparas incandescentes.

Atenuador complementario
Con este circuito, usando una sola tensión de control, puede aumentar el brillo de la lámpara mientras que el brillo de otra disminuye. El circuito se aplica solo a lámparas incandescentes.
