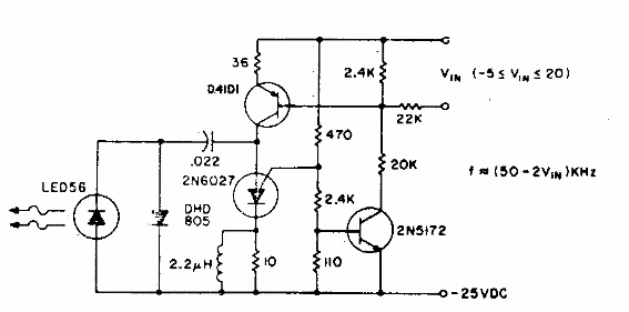
Este circuito opera a una frecuencia de 80 KHz y una modulación de hasta 60 kHz. El circuito es de documentación de la década de 1980. El PUT es un componente inusual en la actualidad.

Transmisor de FM óptico
Este circuito opera a una frecuencia de 80 KHz y una modulación de hasta 60 kHz. El circuito es de documentación de la década de 1980. El PUT es un componente inusual en la actualidad.
