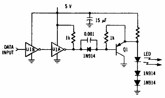
Este transmisor de radiación modulada se puede utilizar como shield de datos ópticos. La frecuencia máxima es de 1 Mbps. El resistor sin valor depende de la corriente máxima del LED y de Q1.

Transmisor óptico
Este transmisor de radiación modulada se puede utilizar como shield de datos ópticos. La frecuencia máxima es de 1 Mbps. El resistor sin valor depende de la corriente máxima del LED y de Q1.
