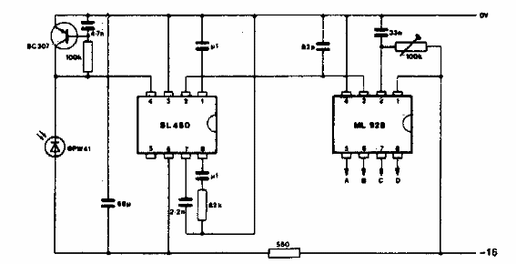
Este circuito se encontró en una documentación estadounidense de los años 90. Los circuitos integrados son de esa época. La señal de salida está decodificada.

Receptor IR modulado
Este circuito se encontró en una documentación estadounidense de los años 90. Los circuitos integrados son de esa época. La señal de salida está decodificada.
