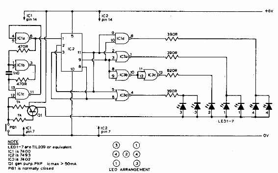
Esta es una de las muchas versiones de un dado de juego electrónico que se puede encontrar en este sitio web. El circuito funciona con 4 baterías pequeñas. Los LED forman el patrón de la cara de un dado.

Dado electrónico
Esta es una de las muchas versiones de un dado de juego electrónico que se puede encontrar en este sitio web. El circuito funciona con 4 baterías pequeñas. Los LED forman el patrón de la cara de un dado.
