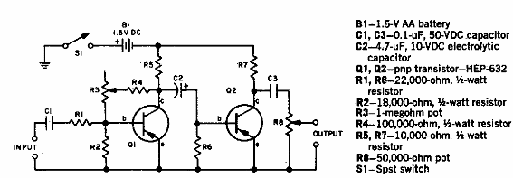
Encontrado en la documentación de la década de 1980, este circuito se puede diseñar con transistores equivalentes modernos. El circuito está alimentado por una sola batería. Los cables de entrada y salida de señal deben estar apantallados.

Efecto fuzz 2



