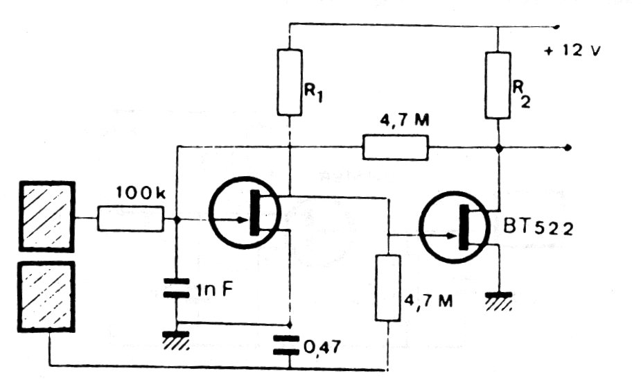
Esta configuración con FET de junción común como BF245 o MPF102 se puede alimentar con tensiones de 5 a 12 V y funciona como un shield para microcontroladores. Nunca suministre al circuito una fuente sin transformador. El circuito tiene una acción biestable.




