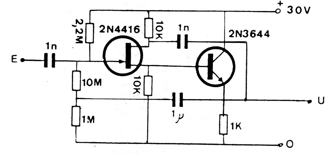
Esta es una configuración de amplificador tradicional con FET y bipolar con muy alta impedancia de entrada. El FET puede ser BF245 o equivalente y el bipolar 2N2222. El suministro se puede hacer con otra tensión dependiendo de la aplicación y los transistores utilizados.




