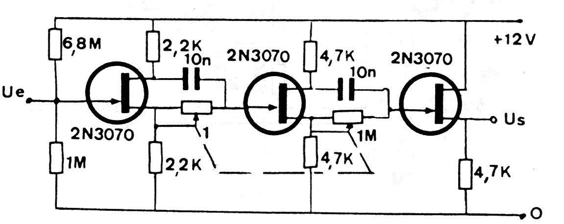
El retraso de la señal de salida en relación con la señal de entrada se puede ajustar en este circuito que se encuentra en la documentación europea de los años 80. El circuito se puede probar con FET más modernos como el BF245 o MPF102 y está diseñado para funcionar con señales de audio.




