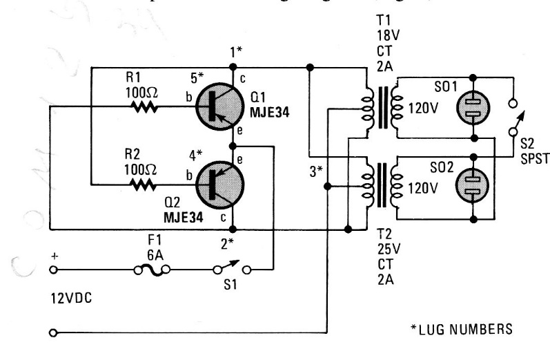
Este circuito se encontró en un Electronics Now de 1988. El circuito sigue siendo actual y la potencia es del orden de 40 W. Vea que los transformadores se pueden conectar en paralelo cuando la carga es mayor. El fusible es muy importante para proteger el circuito y los transistores deben estar equipados con excelentes disipadores de calor.




