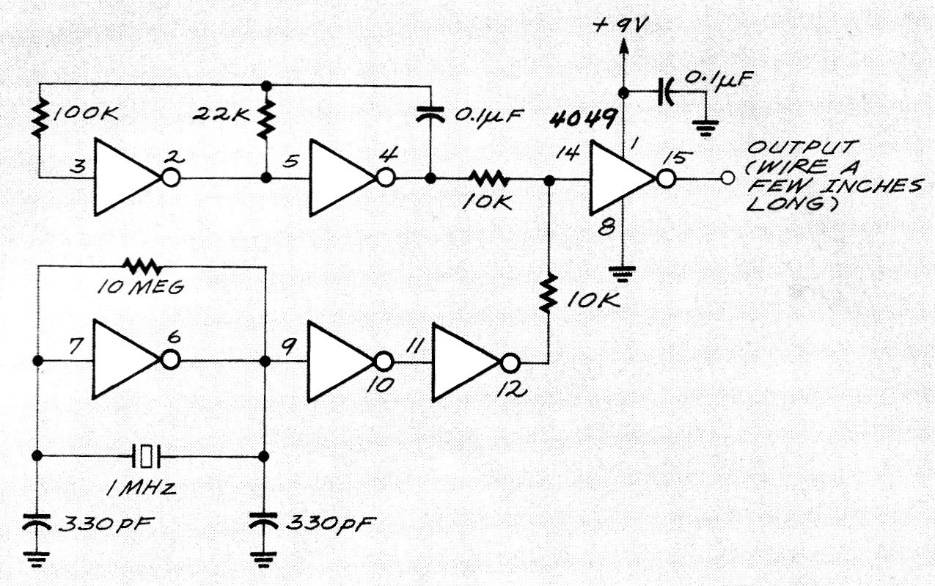
Este pequeño transmisor digital utiliza un cristal de 1 MHz, u otra frecuencia cercana, para producir una señal que alcanza unos pocos metros. El circuito es muy rico en armónicos y solo sirve para demostraciones. Otros circuitos del mismo tipo se pueden encontrar en este sitio web.




