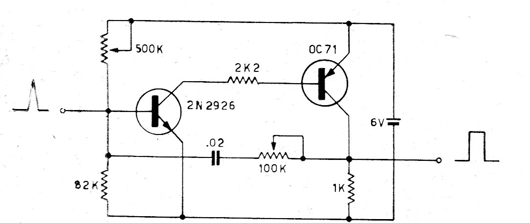
Este circuito de una publicación de 1967 transforma un pulso corto en una señal cuadrada cuya duración depende del capacitor y se puede ajustar en el trimpot. El circuito puede usar transistores equivalentes modernos como BC548 y BC558. La alimentación se puede hacer con tensiones de 6 a 12 V.




