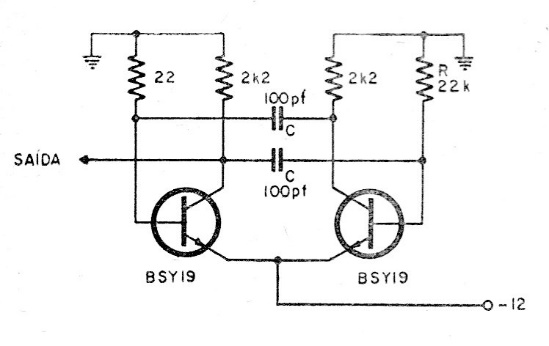
La curiosidad de este circuito está en la forma en que fue diseñado, como se encontró en una documentación de 1967. La frecuencia del circuito está dada por los capacitores, y la señal obtenida es rectangular. Los transistores pueden ser el BC548. La tensión de alimentación puede estar realmente entre 3 y 12 V.

Astable transistorizado



