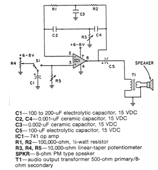
Este circuito produce un silbido cuando actúa sobre el interruptor S1. El SIDA se aplica a un transformador tiene por un altavoz, pero se puede usar un amplificador externo. La fuente de alimentación no tiene que ser simétrica. El circuito es de un Electronic Handbook de la década de 1960.

Efecto de sonido variable



