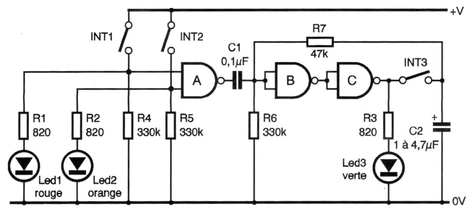
El propósito de este juego es encontrar la combinación en secuencia de teclas que hace que los tres LED se iluminen. El circuito puede ser alimentado por tensiones de 5 a 9 V, con cambios en las resistencias en serie con los LED. Encontramos este circuito en una antigua documentación francesa.




