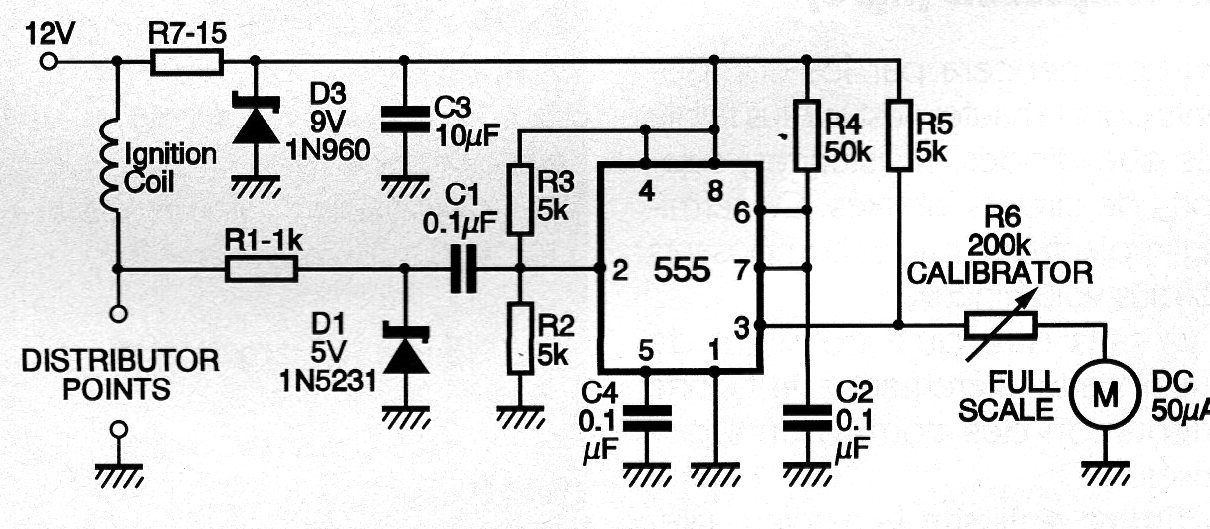
Este tacómetro analógico se puede usar en automóviles con platino o en aplicaciones robóticas y de automatización para medir la rotación de una parte mecánica, con cambios en los valores de los componentes, específicamente C2 y R4. El circuito puede usar la escala más baja de un miliamperímetro. Encontramos esta configuración en un manual de Signetics.




