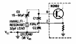
Encontrado en una Radio Electronics de los años 90, este circuito puede variar la frecuencia en pequeños valores alrededor de la frecuencia del cristal.

Oscilador de cristal variable
Encontrado en una Radio Electronics de los años 90, este circuito puede variar la frecuencia en pequeños valores alrededor de la frecuencia del cristal.
