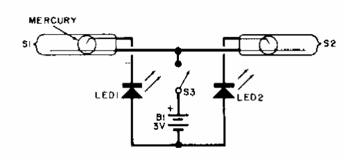
Este indicador electrónico de nivel o plomada tiene dos interruptores de mercurio como sensores. La indicación se realiza mediante LED. Lo encontramos en una Popular Electronics 90.

Indicador de nivel simple
Este indicador electrónico de nivel o plomada tiene dos interruptores de mercurio como sensores. La indicación se realiza mediante LED. Lo encontramos en una Popular Electronics 90.
