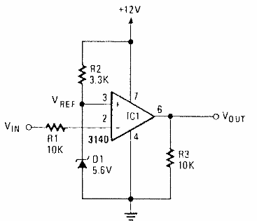
Encontrado en Radio Electronics de los años 90, este circuito emplea un 3140 operacional, todavía común hoy en día. La tensión de referencia viene dada por el diodo zener.

Comparador de tensión
Encontrado en Radio Electronics de los años 90, este circuito emplea un 3140 operacional, todavía común hoy en día. La tensión de referencia viene dada por el diodo zener.
