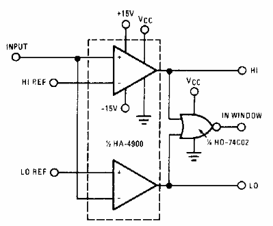
Harris sugirió este detector o comparador de ventanas en la documentación de los años 90. El circuito integrado es, desde ese momento, HÁ-4900, no es común hoy en día.

Detector de ventanas
Harris sugirió este detector o comparador de ventanas en la documentación de los años 90. El circuito integrado es, desde ese momento, HÁ-4900, no es común hoy en día.
