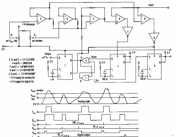
Este circuito se encontró en una Electronic Design de los años 90. Las formas de las señales obtenidas como resultado de las entradas se muestran al lado del diagrama.

Comparador de ventana
Este circuito se encontró en una Electronic Design de los años 90. Las formas de las señales obtenidas como resultado de las entradas se muestran al lado del diagrama.
