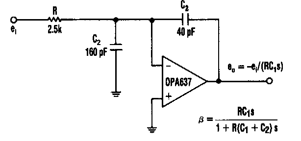
Encontramos este circuito en una Electronic Design de los años 90. A través de un condensador puede aumentar la tasa de crecimiento de una señal, de acuerdo con la fórmula al lado del diagrama.

Aumento de la tasa de crecimiento
Encontramos este circuito en una Electronic Design de los años 90. A través de un condensador puede aumentar la tasa de crecimiento de una señal, de acuerdo con la fórmula al lado del diagrama.
