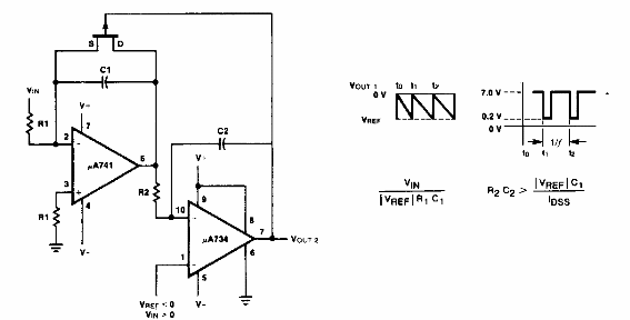
Encontrado en la documentación de Fairchild de los años 90, este circuito genera señales con las características dadas al lado del diagrama. La fuente de alimentación debe ser simétrica.

VCO con operacionales
Encontrado en la documentación de Fairchild de los años 90, este circuito genera señales con las características dadas al lado del diagrama. La fuente de alimentación debe ser simétrica.
