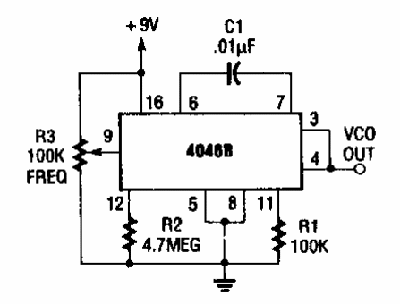
Encontrado en una Radio Electronics de los años 90, este circuito genera señales en el rango de 60 Hz a 1.4 Hz, con los valores de los componentes utilizados. C1 se puede cambiar a otras bandas de frecuencia.

VCO de banda restringida
Encontrado en una Radio Electronics de los años 90, este circuito genera señales en el rango de 60 Hz a 1.4 Hz, con los valores de los componentes utilizados. C1 se puede cambiar a otras bandas de frecuencia.
