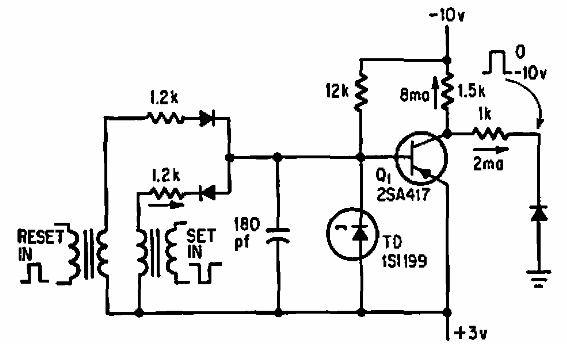
Usando un diodo de túnel, este circuito se encontró en una publicación estadounidense de 1966. El circuito es para señales muestreadas a una velocidad de 8,000 sps.

Conmutación PCM
Usando un diodo de túnel, este circuito se encontró en una publicación estadounidense de 1966. El circuito es para señales muestreadas a una velocidad de 8,000 sps.
